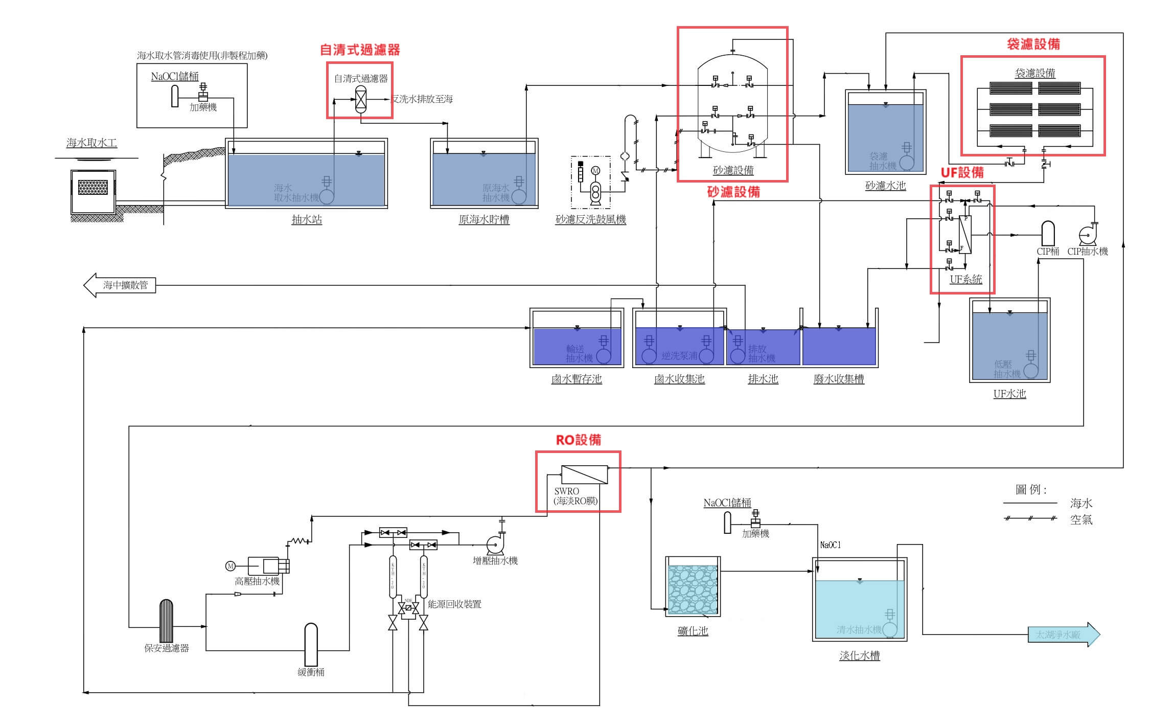
海水淡化廠處理設備及流程

※自清式過濾器
聚丙烯材質疊片形成牢固的柱形體過濾體系,可去除10µm以上之顆粒雜質。在過濾狀態下,濁水從濾芯外面通過疊片,雜質顆粒截留在疊片交叉點,經過過濾的淨水從自清式疊片中流出。當到達一定的壓差時或時間,系統自動進入反洗狀態,控制器控制閥門改變水流方向,反沖水壓使彈簧收緊使疊片被鬆開,將截留在疊片上的雜質沖洗甩出。
※砂濾設備
採用玻璃砂濾料,可去除5µm以上之顆粒雜質,減輕後段處理設備之處理負荷。
※袋濾設備
過濾管內有36根墊管及濾袋,可去除3µm及1µm以上之顆粒雜質。
※UF
為過濾薄膜,可去除0.1µm以上之顆粒雜質,亦可附帶去除部份TOC(總有機碳)。
※能源回收器
以直立的能量交換FRP(玻璃纖維)容器,利用重力分離海水/鹵水,有效達到海水及鹵水能量交換,能源回收效率達97%。
※RO設備
以螺旋纒繞的薄膜結構,利用部分離子能通過薄膜所產生的滲透現象,進而分成乾淨的海淡水及被薄膜保留而濃縮產生的鹵水。